商品情報
商品名:一般ドア用 中心吊り自由開き
-
商品詳細案内
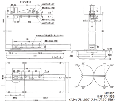
一般ドア用 中心吊り自由開き 一覧 品番 装置 適用ドア寸法(m/m)
DW×DHドア重量
(Kg)以下ケース 参考価格 商品コード H- 1300 ストップなし 950×2100 110 1台 64,750 52400030 HS-1300 ストップ付 52400040
商品情報
新商品
オススメ
現場関連
- 物干金物
- ホスクリーン
- シュート・ポスト口
- ポスト
- 室名札
- 宅配ボックス
- 換気製品
- ヤギリ・軒天
- 点検口
- 床下収納庫
- 掲示板
- 銘板
- 避難ハッチ
- 消火器具
- 屋上マンホール
- タラップ・吊環
- 基礎工法材
- 緩衝材
- パイプ付属金物
- 形材
- ピクチャーレール
- カーテンレール
- ドアハンガー
- ミラー
- 設備資材
- 設備用品
- ひさし
- アルミ建材
- ワイヤー手すり
- スベリ止・点字
- 副資材
エクステリア
建具関連
- ワーロン
- 研磨材
- 引戸錠
- レバー錠
- 取替錠レバー
- 付属金物
- 棚柱
- 丁番
- ラバトリー
- 戸引手・ツマミ
- 取手・ツマミ
- ドア付属金物
- 戸当り
- レール
- Vレール用戸車
- 木製品
- 建具資材
- あかり取り・戸車
- 戸車
- 各種レール
- ドアクローザー
- 額受
- 塗料
ファスナー関連
一般資材・金物
- 高性能テープ
- ニットーテープ
- 養生・防水テープ
- 接養剤
- 滑走剤
- ウレタンフォーム
- 一般資材
- 副資材
- 養生材
- 面木・目地棒
- アルミ梯子・脚立
- テント
- 水切棚・収納
- 棚受
- 補強金物
- 掛金
- フック
- チェーン・パーツ
- 鍵関連資材
- 網戸
- 壁装飾
- 水まわり備品
- その他



